
YZUL型振動電機產品概述
YZUL系列立式振動電機是我公司新型立式振動電機產品,采用先進的單法蘭結構,設計精巧,運行安全可靠,單法蘭結構使得立式振動電機 安裝維護方便,同時可大大減輕主機重量,減小主機外形尺寸、簡化主機結構、降低主機成本,使得主機對物料的處理量更大。振動電機激振力能在一定范圍內非常容易地進行有級調節,滿足各種作業需求。
使用新型密封技術及進口密封件,大大提高了立式振動電機的防塵防潮能力,產品能在各種高塵高潮濕場所安全穩定運行。
YZUL型振動電機主要特點:
1.噪音低、能耗低、效率高。
2.體積小、重量輕、啟動迅速。
3.安裝便捷、維護簡單、壽命長
4.激振力易于無級調整且調節范圍廣、振動無機械傳導。
YZUL型振動電機工作原理:
振動電機是動力源與振動源結合為一體的激振源,振動電機是在轉子軸兩端各安裝一組可調偏心塊,利用軸及偏心塊高速旋轉產生的離心力得到激振力。YZUL系列振動電機由電機本身運行產生易于調整的水平、垂直、傾斜等方向多元激振力,形成物料的快速平面分散、中心聚集、平面旋轉、三維旋轉等多種運動方式,用于控制排料速度、處理精度等機械性能指標,以其獨特的結構特點適應于不同的機械對振動源的要求。
YZUL型振動電機型號說明:
YZU L □ □
┬ ┬ ┬ ┬
│ │ │ │
│ │ │ │
│ │ │ │
│ │ │ └────────── 電機級數
│ │ │
│ │ └───────────- 最大激振力(KN)
│ │
│ └────────────- 立式安裝
│
└──────────────- 振動源三項異步電動機
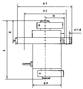
YZUL型振動電機安裝尺寸圖表:


